首  页 新闻动态 通知公告 政务公开 政策法规 行业协会 企业动态 安全教育 民爆论坛
 
· 新标准GB 6441-2025发布,2026年7月1日生效 · 锚定“十五五”开局之年 筑牢安全环保根基——帅力化工公司部署2026年安全环保重点工作 · 喜报!帅力化工公司数据管理能力获2级认证 数字化建设再提速 · 税企联学聚合力 强基赋能促发展 ——咸宁市税务局湖北帅力开展主题团日联建活动 · 强理论 重实操 筑牢安全防线 ——湖北帅力开展消防安全培训与应急演练

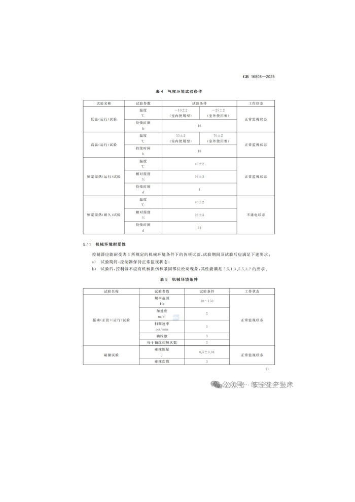
可燃气体报警控制器 GB16808--2025



























2026-04-10 14:53

关闭
中央人民政府 工信部 国家质检总局 公安部

copyright©2007 湖北省民爆器材行业协会 版权所有 [管理登陆]

通讯地址:武汉市武昌区  邮编430074
网站服务电话 027-87225032

公安部备案号:42011102001203号42011102001202号

工信部备案号:鄂ICP备10209226号-1
工信部链接https://beian.miit.gov.cn/