首  页 新闻动态 通知公告 政务公开 政策法规 行业协会 企业动态 安全教育 民爆论坛
 
· 民爆行业主管部门执法能力提升培训班在云南举办 · 民爆行业标准宣贯会在昆明召开 · 湖北帅力召开2026年度中层干部大会 凝心聚力谋发展 实干担当启新程 · 多措并举筑防线 凝心聚力启新程 ---湖北帅力扎实推进复工复产安全工作 · 湖北帅力中层相关岗位公开竞聘工作圆满完成

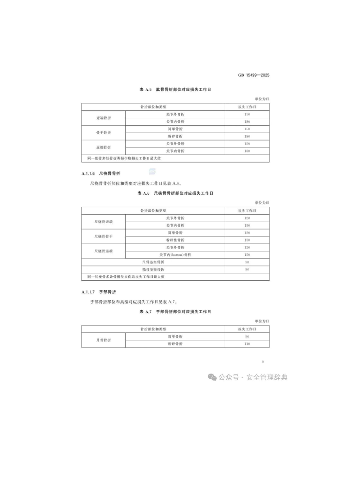
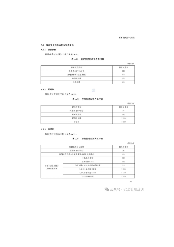
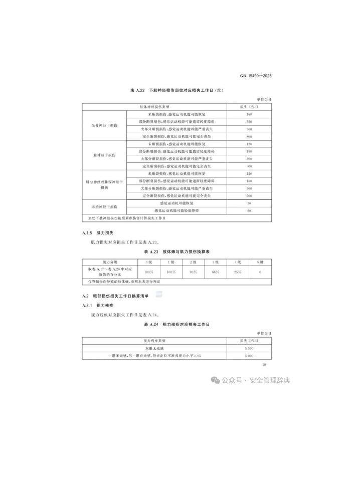
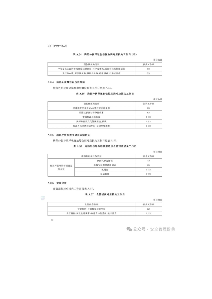
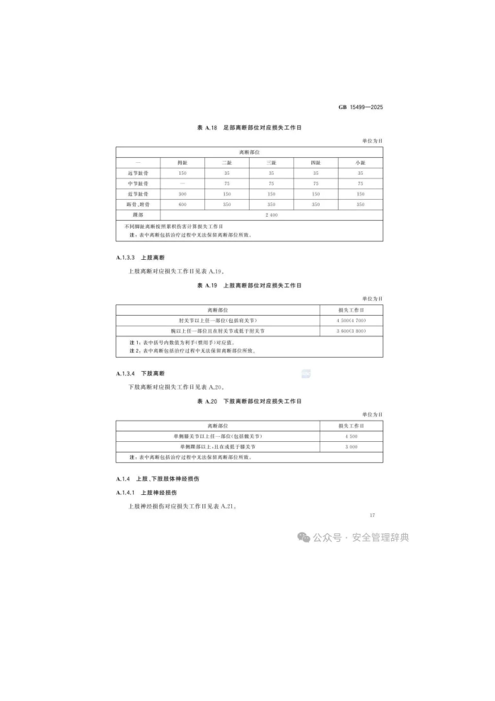
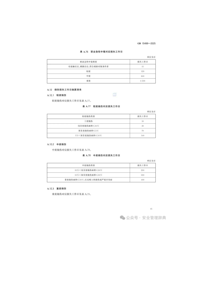
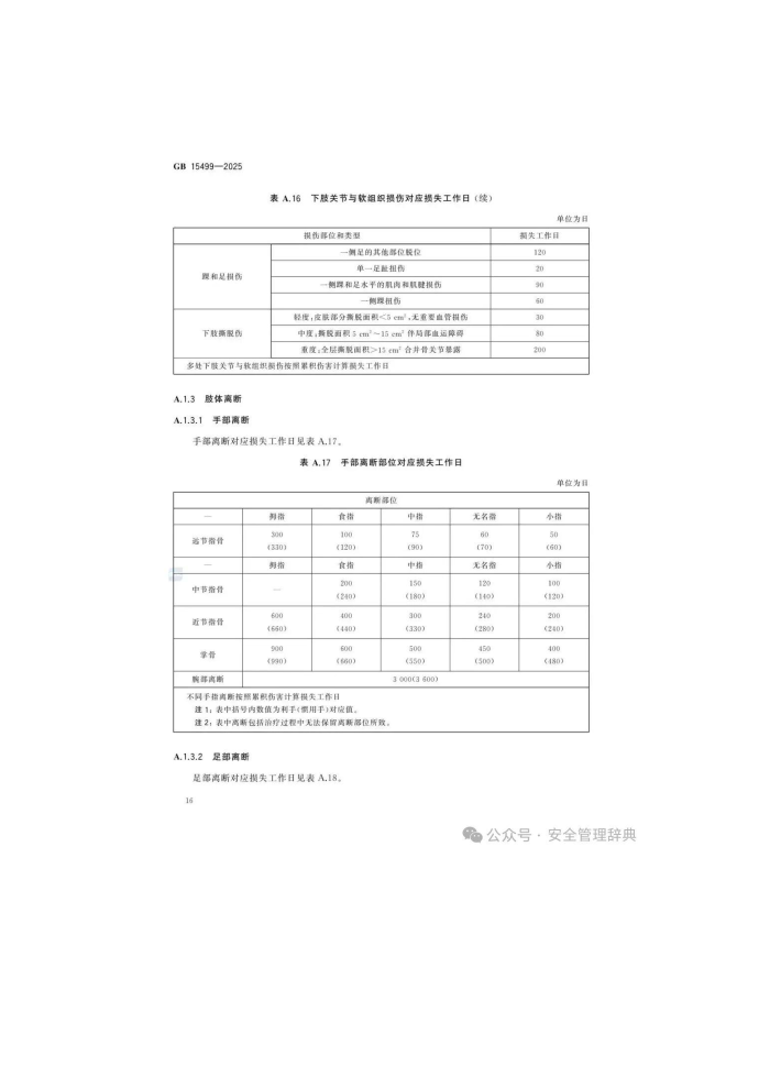
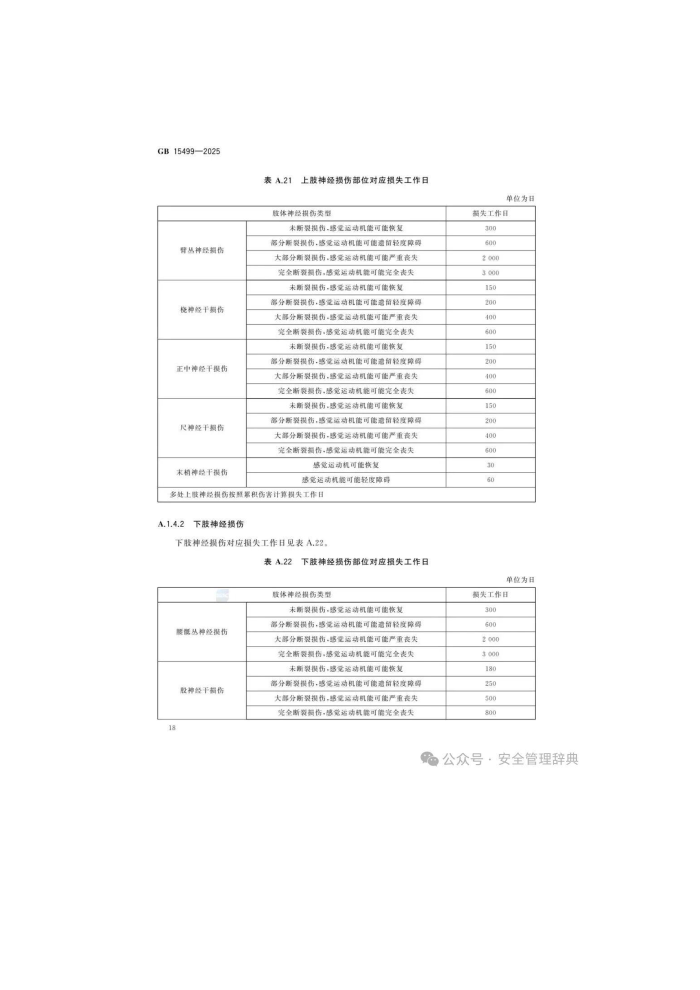
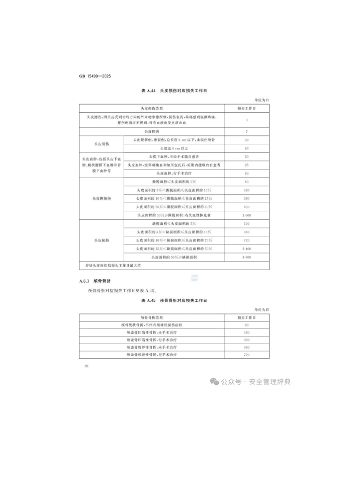
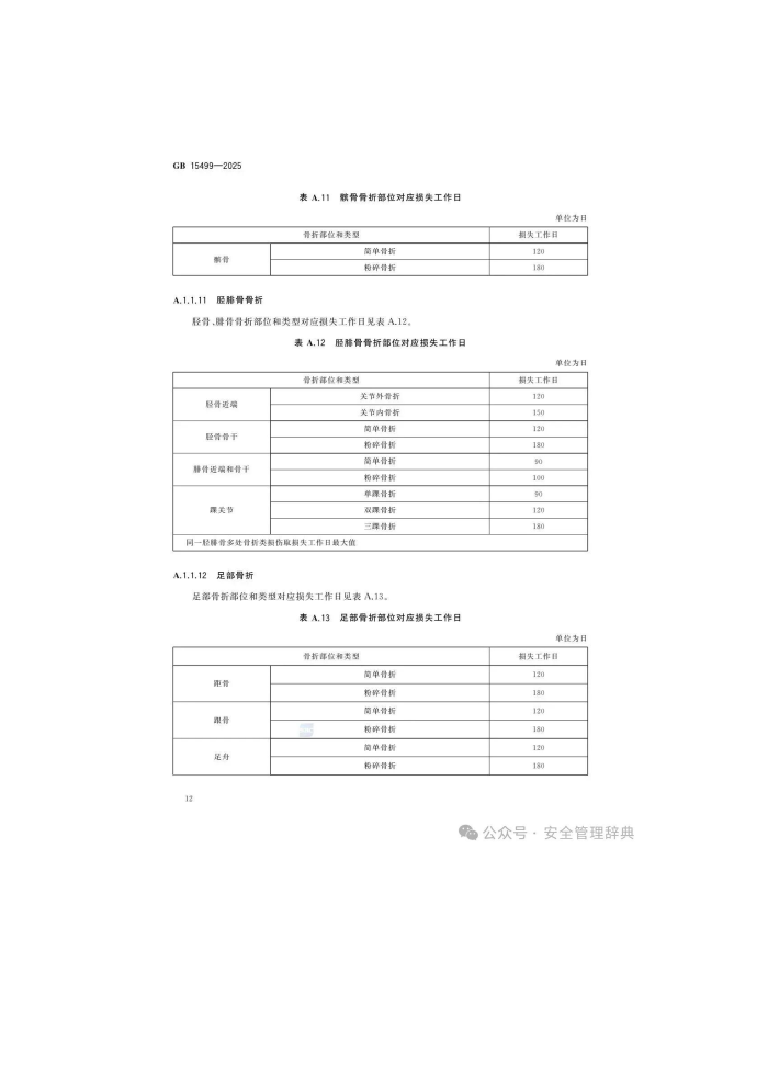
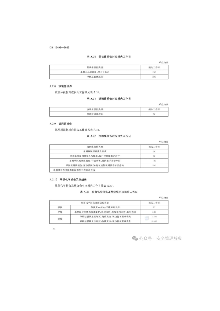
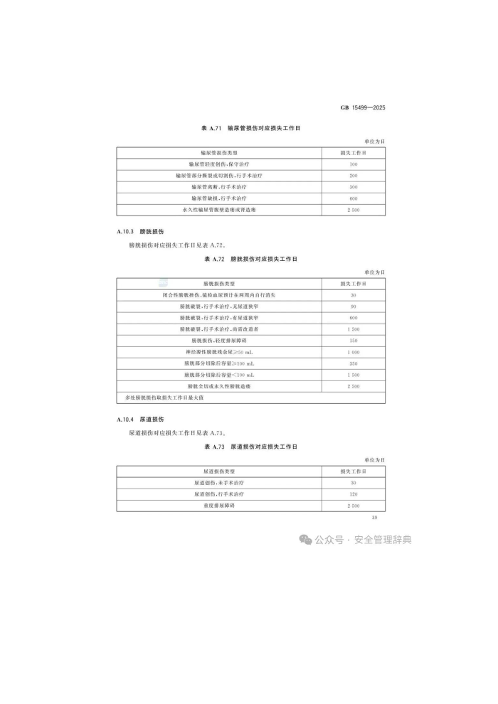
生产安全事故伤害损失工作日判定















































2026-04-10 15:05

关闭
中央人民政府 工信部 国家质检总局 公安部

copyright©2007 湖北省民爆器材行业协会 版权所有 [管理登陆]

通讯地址:武汉市武昌区  邮编430074
网站服务电话 027-87225032

公安部备案号:42011102001203号42011102001202号

工信部备案号:鄂ICP备10209226号-1
工信部链接https://beian.miit.gov.cn/